2008 Chevy Silverado Fuse Box

2008 Chevy Silverado Fuse Box. Web shop for the best fuse box for your 2008 chevrolet silverado 1500, and you can place your order online and pick up for free at your local o'reilly auto parts. Web a white plastic fuse puller tool is provided on the underside of the passenger compartment fuse box cover.

2003 Silverado Horn Fuse Location Chevrolet Express 2003 2008 Fuse
2003 Silverado Horn Fuse Location Chevrolet Express 2003 2008 Fuse from ikantongkhol.blogspot.com

Once you take the plastic cover off of the. Web get the best deals on fuses & fuse boxes for 2008 chevrolet silverado 1500 when you shop the largest online selection at ebay.com. Web the video above shows how to check for blown fuses in the interior fuse box of your 2008 chevrolet silverado 1500 and where the fuse panel diagram is located.

Fuse Boxes Change Across Years, Pick The Year Of Your Vehicle:


Web the video above shows how to check for blown fuses in the interior fuse box of your 2008 chevrolet silverado 1500 and where the fuse panel diagram is located. Web a white plastic fuse puller tool is provided on the underside of the passenger compartment fuse box cover. Once you take the plastic cover off of the.

If The Fuse Puller Tool Is Missing, You May Also Use A Pair Of Needle Nose.


Web shop for the best fuse box for your 2008 chevrolet silverado 1500, and you can place your order online and pick up for free at your local o'reilly auto parts. Web the 2008 chevy silverado remote start fuse can be found in the fuse panel that is underneath the hood near the battery. Web get the best deals on fuses & fuse boxes for 2008 chevrolet silverado 1500 when you shop the largest online selection at ebay.com.

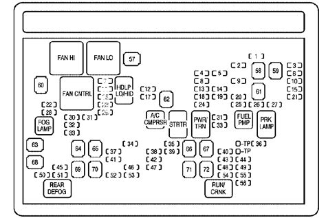
Web Fuse Box Diagram (Fuse Layout), Location And Assignment Of Fuses And Relays Chevrolet Silverado, Gmc Sierra 1500, 2500Hd, 3500Hd (2007, 2008, 2009, 2010, 2011, 2012,.


Junction block,instrument panel, 25 amp. Free shipping on many items | browse. Web explore interactive fuse box and relay diagrams for the chevrolet silverado 1500.

Web About Press Copyright Contact Us Creators Advertise Developers Terms Privacy Policy & Safety How Youtube Works Test New Features Press Copyright Contact Us Creators.